金百博

金百博·(中国区)有限公司官网
金百博·(中国区)有限公司官网

旋转讨论

首页 - 产品展示

金百博·(中国区)有限公司官网

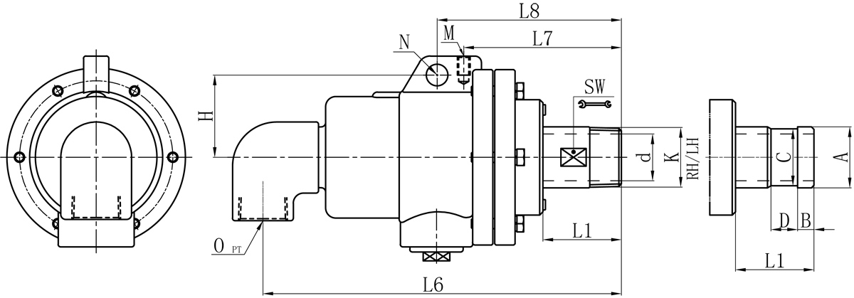
MXQ3型 单通路

型号:MXQ3
外管:螺纹或法兰
特征:正球面或反球面密封;; ;; 标准碳石墨密封手艺;; ;; 宽间距双无油轴承支持;; ;; 细密铸铁壳体;; ;; 双通路设计;; ;; 密封磨损刻度线,,可预防性维护设计;; ;; 旋转轴外貌经耐磨损、耐侵蚀处置惩罚;; ;; 可自动调心。 。。。 。

手艺参数:
适用介质 蒸汽、热油
最高温度 ≤350℃(热油)、≤220℃(蒸汽)
最高压力 ≤1.8MPa
最高转速 ≤200rpm

产品咨询 返回列表

销售效劳热线:

0595-8686 1188

金百博·(中国区)有限公司官网


Model K O d L1 L6 L7 L8 M N H SW 法兰式外管尺寸比照表
A B C D
32A R1-1/4" Rc1-1/4" 30 55 245 108 124 M10 14 60 41 40 13 38 20
40A R1-1/2" Rc1-1/2" 36 62 280 133 149 M10 16 71 45 47.8 13 45 20

如属规格品外,,本公司可配合要求制作。 。。。 。
规格尺寸若有修改,,恕不另行通知。 。。。 。 

Copyright ?金百博 版权所有 闽ICP备05026600号 中机标准化研究院 网站建设:科伟网络

【网站地图】【sitemap】