金百博

金百博·(中国区)有限公司官网
金百博·(中国区)有限公司官网

旋转讨论

首页 - 产品展示

金百博·(中国区)有限公司官网

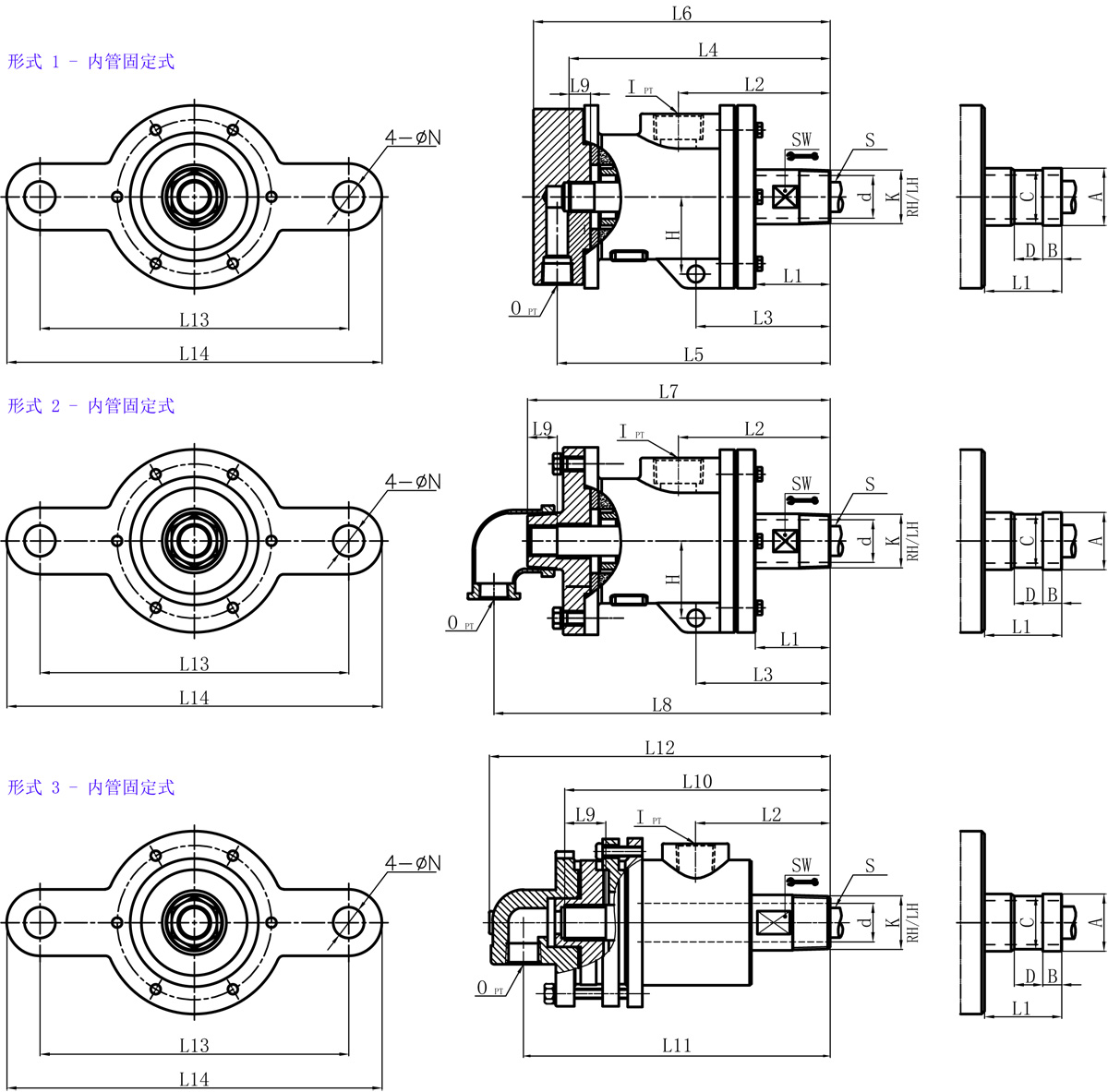
MXQ2型 双通路(内管牢靠式)

型号:MXQ2
外管:螺纹或法兰
特征:适用于蒸汽介质;;; 球面密封设计;;; 可更新式密封盖;;; 新型旋转讨论升级产品;;; 外部支持杆 。。。。

手艺参数:
适用介质 蒸汽
最高温度 ≤220℃
最高压力 ≤2.5MPa
最高转速 ≤300rpm

产品咨询 返回列表

销售效劳热线:

0595-8686 1188

金百博·(中国区)有限公司官网


Model K I O S d L1 L2 L3 L4 L5 L6 L7 L8 L9 L10 L11 L12 L13 L14 N SW H 法兰式外管尺寸比照表
A B C D
25A R1" Rc3/4" Rc1/2" Rp3/8" 23.5 49 83 / / / / / / 25 164 190 211 118 149 14 32 / 34 12 32 18
32A R1-1/4" Rc1" Rc1/2" Rp1/2" 28 64 133 114 / / / 241 255 43 / / / 190 280 20 39 58 40 13 38 20
40A R1-1/2" Rc1-1/4" Rc3/4" Rp3/4" 36 77 149 132 233 243 263 / / 18 / / / 206 316 21 46 66 47.8 13 45 20
50A R2" Rc1-1/2" Rc1" Rp1" 45 77 149 132 / / / 286 305 48 / / / 250 350 30 54 75 60 16 57 24

如属规格品外 , ,,本公司可配合要求制作 。。。。
规格尺寸若有修改 , ,,恕不另行通知 。。。。

Copyright ?金百博 版权所有 闽ICP备05026600号 中机标准化研究院 网站建设:科伟网络

【网站地图】【sitemap】