金百博

金百博·(中国区)有限公司官网
金百博·(中国区)有限公司官网

Rotary Joint

Home - Products

金百博·(中国区)有限公司官网

MXQL Rotary Joint

Model:MXQL
Outer pipe:Thread connection or flange connection
Feature:Convex spherical seal; Standard antimony impregnated carbon graphite sealing technology; Multiple graphite bearing support; Maximization of support spacing; Precision cast iron shell; Dual-flow design; Automatic centering; Split type design; Preventive maintenance design with sealing abrasion scale line; Surface treatment of the rotating shaft for abrasion resistance and corrosion resistance; Easy installation of inner pipe; Ease of replacement.

Technical Parameter:
Media Steam ,,Hot oil
Max.Temperature ≤220℃(Steam);; ; ;;≤350℃(Hot oil)
Max.Pressure ≤1.8MPa
Max.Speed 20A-40A≤200rpm; 50A-65A≤150rpm

Product consultation Back to list

Sales Service Hotline:

0595-8686 1188

金百博·(中国区)有限公司官网

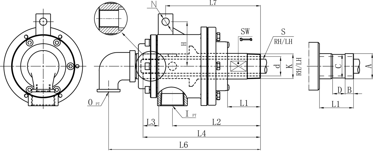
RN

Model K I O S1 d L1 L2 L3 L4 L6 L7 N H SW Flange outer tube size control table
A B C D
25A R1" Rc3/4" Rc1/2" 16 23.5 53 141 20 182 236 153 12 66 32 34 12 32 18
32A R1-1/4" Rc1" Rc1/2" 20 30 55 159 25 204 259 171 14 78 39 40 13 38 20
40A R1-1/2" Rc1-1/4" Rc3/4" 25 36 65 177 30 224 288 187 14 85 46 47.8 13 45 20
50A R2" Rc1-1/2" Rc1" 32 45 73 197 32 253 322 215 14 93 57 60 16 57 24

We offer customized products if special sizes.
Specifications are subject to change without notice.

金百博·(中国区)有限公司官网

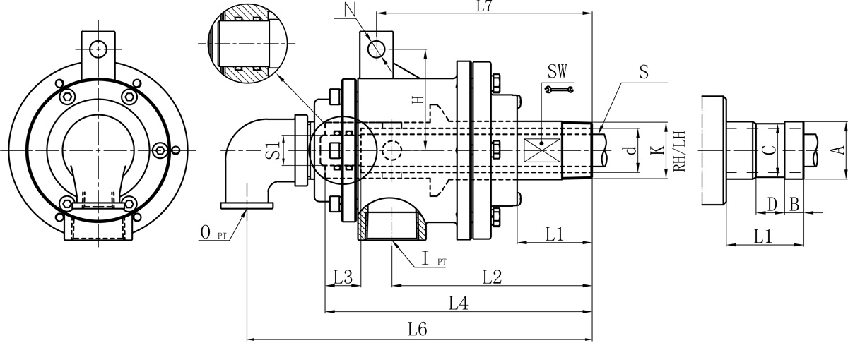
RT

Model K I O S d L1 L2 L3 L4 L6 L7 N H SW Flange outer tube size control table
A B C D
25A R1" Rc3/4" Rc1/2" Rp3/8" 23.5 53 141 20 182 236 153 12 66 32 34 12 32 18
32A R1-1/4" Rc1" Rc1/2" Rp1/2" 30 55 159 25 204 259 171 14 78 39 40 13 38 20
40A R1-1/2" Rc1-1/4" Rc3/4" Rp3/4" 36 65 177 30 224 288 187 14 85 46 47.8 13 45 20
50A R2" Rc1-1/2" Rc1" Rp1" 45 73 197 32 253 322 215 14 93 57 60 16 57 24

We offer customized products if special sizes.
Specifications are subject to change without notice.

Copyright ?Fujian Minxuan Technology Co., Ltd. all rights reserved 闽ICP备05026600号 中机标准化研究院 BY:KEW

【网站地图】【sitemap】