金百博

金百博·(中国区)有限公司官网
金百博·(中国区)有限公司官网

Rotary Joint

Home - Products

金百博·(中国区)有限公司官网

915 Rotary Joint

Model:915
Outer pipe:Thread connection or flange connection
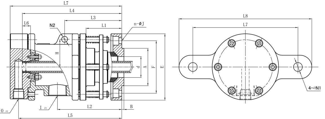
Feature:Concave spherical seal; Standardcarbon graphite sealing technology; External seal structure design; Precision cast iron shell; Split type design; Automatic centering; Preventive maintenance design with sealing abrasion scale line; Strong deflection adaptability; Applicable to high-speed equipment operation.

Technical Parameter:
Media Steam
Max.Temperature ≤235℃
Max.Pressure ≤2.0MPa
Max.Speed ≤400rpm

Product consultation Back to list

Sales Service Hotline:

0595-8686 1188

金百博·(中国区)有限公司官网


Model A B I O d E F S L1 L2 L3 L4 L5 L6 L7 L8 n-ΦJ N1 N2 H
40A 89 5 Rc1-1/4" Rc3/4" 50 158 125 Rp3/4" 85 153 136 236 245 20 250 326 4-Φ14 21 14 66

Except for the above product specifications.our company's product can also be customized according to the user's requirements;Specifications are subject to change without notice.

Copyright ?Fujian Minxuan Technology Co., Ltd. all rights reserved 闽ICP备05026600号 中机标准化研究院 BY:KEW

【网站地图】【sitemap】