金百博

金百博·(中国区)有限公司官网
金百博·(中国区)有限公司官网

旋转讨论

首页 - 产品展示

金百博·(中国区)有限公司官网

MXQCO型 单通路

型号:MXQCO
外管:法兰
特征:适用于蒸汽、热油介质;;; ; 双无油轴承支持;;; ; 优化密封环直径;;; ; 可替换性密封底盖;;; ; 最大化轴承间距。。。。

手艺参数:
适用介质 蒸汽、热油
最高温度 ≤350℃(热油);;; ;≤280℃(蒸汽)
最高压力 ≤1.8MPa
最高转速 ≤200rpm

产品咨询 返回列表

销售效劳热线:

0595-8686 1188

金百博·(中国区)有限公司官网


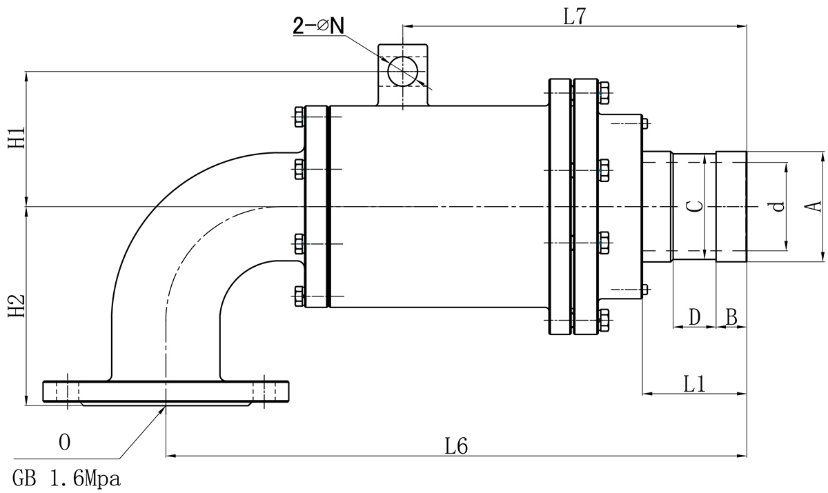
Model O d L1 L6 L7 N H1 H2 法兰式外管尺寸比照表
A B C D
65A DN65 58 75 415 230 18 106 165 74 19 70 24
80A DN80 72 85 485 289 24 110 160 87 25 84 24
90A DN90 80 100 505 300 25 116 170 100 25 96 30
100A DN100 90 105 600 340 25 133 185 114 25 109 35
125A DN125 125 120 716 450 30 158 215 148 25 142 35
150A DN150 140 130 810 430 30 178 260 166 30 160 38

如属规格品外, , ,,本公司可配合要求制作。。。。
规格尺寸若有修改, , ,,恕不另行通知。。。。 

Copyright ?金百博 版权所有 闽ICP备05026600号 中机标准化研究院 网站建设:科伟网络

【网站地图】【sitemap】