
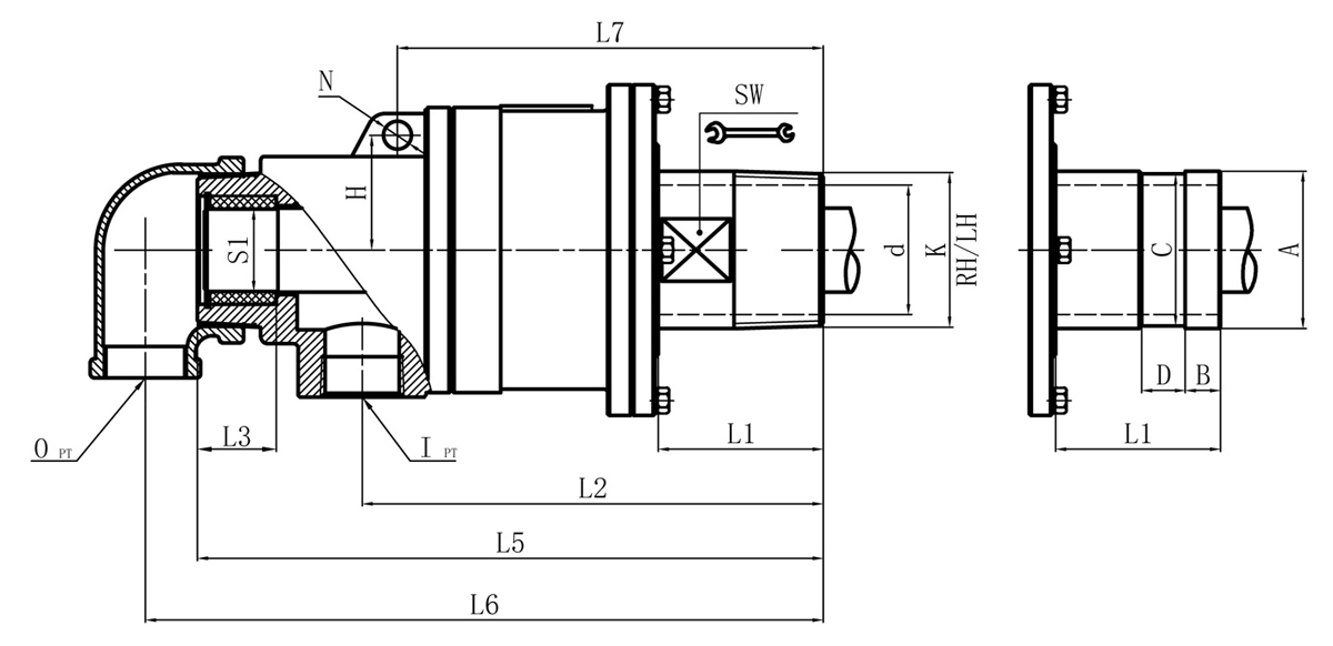
| Model | K | M | I | O | S | S1 | D1 | L1 | L2 | L3 | L5 | L6 | L7 | L8 | N | SW | H | 法兰式外管尺寸比照表 | |||
| A | B | C | D | ||||||||||||||||||
| 80A | R3" | Rc3" | Rc2-1/2" | Rc1-1/2" | Rp1-1/2" | 47 | 72 | 94 | 263 | 45 | 357 | 387 | 243 | 405 | 16 | 85 | 66 | 90 | 20 | 887 | 25 |
如属规格品外,,,本公司可配合要求制作。。。。。
规格尺寸若有修改,,,恕不另行通知。。。。。
Copyright ?金百博 版权所有 闽ICP备05026600号 中机标准化研究院 网站建设:科伟网络